产品目录
液体涡轮流量计
液体流量计
水流量计
油流量计
气体涡轮流量计
椭圆齿轮流量计
电磁流量计
涡街流量计
蒸汽流量计
孔板流量计
旋进旋涡流量计
热式气体质量流量计
转子流量计
浮子流量计
靶式流量计
气体流量计
超声波流量计
磁翻板液位计
浮子液位计
浮球液位计
玻璃管液位计
雷达液位计
超声波液位计
投入式液位计
压力变送器
差压变送器
液位变送器
温度变送器
热电偶
热电阻
双金属温度计
推荐产品
联系我们
- 金湖凯铭仪表有限公司
- 联系电话:15195518515
- 在线客服:1464856260
- 电话:0517-86801009
- 传真号码:0517-86801007
- 邮箱:1464856260@qq.com
- 网址:http://m.bhdmvez.cn
- 地址:江苏省金湖县理士大道61号
水流量计如何接线
发布时间:2021-03-20 14:13:11??点击次数:4789次
3.4 电气接线
为保证出线套的密封可靠,接线时应采用圆截面电缆。
3.4.1 接线要求
所有接线应在切断供电电源后进行。
1.在确认电缆型号后,按规定进行接线,接线应正确、牢靠。
2.按正确程序将电缆穿进出线套:*先松开出线套压紧螺母,拿掉堵板。依次给电缆套上压紧螺母、橡胶圈,再将电缆穿出线套。接线完成后理顺电缆,并旋紧压紧螺母使橡胶圈紧压电缆。
3.电缆剥线时,注意不要损伤应予保留的绝缘层。对流量信号芯线,只要可以接线,就尽量少剥屏蔽层。对 STT3200 电缆,两同轴电缆的内层屏蔽泄漏线绞合后,应套上绝缘套管,然后再接至 SGND 端。对黑色半导体层应从根部切除,以免影响其他接线。
3.4.2 电缆
传感器与转换器之间的电缆长度与流体电导率和现场电气干扰等因素有关,电缆长度可用以下公式估算:
L≤σ ×4
式中: L-电缆长度(m)
σ -流体电导率(μS/㎝)
但电缆一般不得超过 100 m。为保证测量精度和防止干扰,要求转换器尽量靠近传感器安装。
1.励磁电流线
励磁电流线可采用二芯绝缘橡皮软电缆线,建议型号为 YHZ-2×1 ㎜ 2或 RVVP2×32/0.2。
励磁电流线的长度与信号电缆长度一致。当使用 STT3200 专用电缆时,励磁电缆与信号电缆合并为一根。
2.流量信号线
分体型转换器与传感器配套使用时,对被测流体电导率大于 50μS/㎝的情况,流量信号传输电缆可以使用型号为 RVVP2×32/0.2 的聚氯乙烯护套金属网屏蔽信号电缆。使用长度应不大于 100 m。信号线与传感器配套出厂。信号线的处理可按图 3-4 进行。
本转换器提供有等电位激励屏蔽信号输出电压,以降低电缆传输的分布电容对流量信号测量的影响。当被测电导率小于 50μS/㎝或长距离传输时,可使用具有等电位屏蔽的双芯双重屏蔽信号电缆。例如 STT3200 专用电缆或 BTS 型三重屏蔽信号电缆。
3.4.3 电源线
1.电源线可采用二芯绝缘橡皮软电缆线,建议型号为 YHZ-2×1mm2。
2.对于交流供电转换器,相线应接“L1”端子上!
3.对于直流供电转换器,应注意到电线电阻与电源电压有关,一般在 24V 供电电缆电阻不应大于 10Ω 。电源线的电阻值由导线的长度和截面决定。
4.转换器壳体必须接地!接线端子 PE 应采用不小于 1.6mm2接地铜线接大地。接地电阻值应不大于 10Ω 。
3.4.4 电流输出线
使用电流输出线(4-20mA)时,应注意到导线的电阻与负载电阻之和不得大于 750Ω 。电流输出接线见图 3.5。

3.4.5 频率(脉冲)、上下限报警、流向标示等输出均为集电*开路的电平输出信号。
它们需要外接供电电源和负载,见图 3.6b、3.6d。使用感性负载时,应如图 3.6a 所示加续流二*管。


频率输出(脉冲输出)推荐使用外供电源!若使用内部+12V 电源,分体转换器 DIP 开关 SW1的两个开关均应拨在“ON”位置。(参阅图 3.3a;3.6b)
3.4.6 外部控制接点输入(IN+、IN-)由开关或继电器触点 ON/OFF 控制,见图 3.7。
注意,接点间电阻应小于 5Ω 。

3.5 数字通讯接口及接线
RS-232C 接口:按 IEEE RS-232C 接口标准设计,标配为非电气隔离方式,可选光电隔离型接口??芍С?MODBUS 协议 RTU 格式。
RS-485 接口:按 IEEE RS-485 接口标准设计,标配为非电气隔离方式,可选光电隔离型接口??芍С?MODBUS 协议 RTU 格式和 PROFIBUS-DP 通讯方式。
3.5.1 RS232 接线,如下图所示:

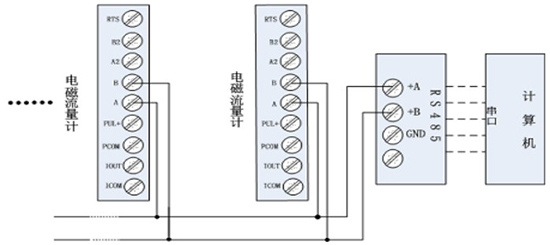
3.5.2 RS485 接线
3.5.2.1 非电气隔离方式接线

一体转换器接线(非电气隔离方式)

分体转换器接线(非电气隔离方式)
3.5.2.2 带光电隔离方式接线(包括 MODBUS 和 PROFIBUS-DP 通讯)

一体转换器接线(光电隔离方式)

分体转换器接线(光电隔离方式)
3.5.3 HART 通讯手操器与水流量计的连接
手操器与水流量计连接如下图所示:

说明:
1)手操器并联在水流量计电流输出的负载两端没有*性;
2)回路中的电阻应大于 200Ω ,小于 500Ω ;
3)手操器不能串入电流回路。
注意:水流量计用手操器设置参数,通讯地址为非 0 值,波特率为 14400。若仪表通讯方式、地址及波特率设置不正确,手操器将不能设置参数!
3.6 数字量输出:
数字量输出是指频率输出和脉冲输出.频率输出和脉冲输出在接线上用的是同一组输出端子,因此,用户不能同时选用频率输出和脉冲输出,而只能选用其中的一种。
3.6.1 频率输出方式:
频率输出对应的是流量百分比,

频率输出的上限可调。其测量范围如 0~1000HZ 或 0~5000HZ 等.
频率输出方式一般用于控制应用,因为它反映百分比流量,若用户用于计量应用,则应选择脉冲输出方式.
3.6.2 脉冲输出方式:
脉冲输出方式主要用于计量方式。应用时应选择适当的脉冲当量和脉冲宽度。脉冲当量采用与计量部门及其它流量仪表习惯一致的定义,即每个脉冲代表多少单位体积(或质量)。
一定流量下,选择小的脉冲当量,相同时间内输出的脉冲数多,计量精度高。但是在短时间内,容易将计数器记满造成溢出。选择大的脉冲当量时,输出的脉冲数少,相同计数器位数的计数时间长,相应的频率低。由于此时的计数器多采用电磁计数器,脉冲电流大。因此应注意选择适当的脉冲宽度以减少计数器线圈导通时间,减低功耗。但是也不能选择过小的脉冲宽度, 否则容易丢失脉冲数。
另外,必须说明,脉冲输出不同于频率输出,脉冲输出不是很均匀的脉冲串。一般测量脉冲输出应选用计数器仪表,不应选用频率计仪表。
3.6.3 频率(脉冲)输出的接线端子
P+/PUL+ — 频率(脉冲)输出+ 端子;
COM/PCOM — 频率(脉冲)接地端子。
3.6.4 状态输出
本转换器具有上限报警、下限报警、流向/量程标示三种状态输出。其+接线端子分别为 ALM+(AH)、ALM-(AL)和 PDIR(FDIR)。状态输出接线的另-端子是公用的 ALCOM(COM)。括号内为圆形转换器的端子标示。
PUL+/ P+、ALM+(AH)、ALM-(AL)和 PDIR(FDIR)均为集电*开路(OC 门)输出(参阅图 3.6b、3.6d,用户接线时必须参照如下电路外接电源和负载:
3.6.5 数字量电平输出接法

3.6.6 数字量输出接光电耦合器(如 PLC 等)

一般,用户端光耦需 10mA 左右电流,负载电阻 R=E/10mA 左右,E=5~24V。因此,R=0.5~2.5kΩ 。
3.6.7 数字量输出接继电器

一般中间继电器需要的 E 为 12V 或 24V。D 为续流二*管,目前大多数的中间继电器内部有这个二*管。若中间继电器自身不含有这个二*管,用户应在外部接一个。
上一篇:涡轮流量计传感器的安装注意事项下一篇:气体涡轮流量计的安装要求
相关资讯
- 中央空调水流量计怎么看流量
- 空调水流量计怎么接线
- 空调水流量计选型要求
- 空调水流量计安装要求
- 空调水流量计安装位置
- 中央空调水流量计型号规格
- 空调水流量计工作原理
- 空调水流量计的作用
- 电磁水流量计的结构组成部分
- 电磁水流量计计数不准原因分析
- 电磁水流量计规格型号
- 电磁水流量计允许误差多少
- 电磁水流量计的优缺点
- 智能电磁水流量计接线示意图
- 电磁水流量计怎么调慢
- 电磁水流量计测量范围
- 纯水流量计的规格型号
- 纯水流量计怎么检定
- 纯水流量计的故障处理
- 纯水流量计如何安装
- 纯水流量计不走数故障分析
- 纯水流量计清洗与维护
- 纯水流量计计量不准原因分析
- 纯水流量计接线图
- 纯水流量计的作用
- 纯水流量计选型规则
- 纯水流量计操作方法
- 循环水流量计显示为何不稳定
- 电厂循环水流量计检定周期
- 冷却循环水流量计的安装位置

